- 9月 19 週一 201614:44
老喜美K6,更換水管
老K6 coupe ,1993年的車
因為少開,一直都懶得整理.
前一陣子開出去居然爆水管,水溫突然飆高,
還好本身有裝水溫表,看到溫度不對就停下來檢查,否則後果堪慮.....
加滿水開回家,
檢查一下.....
鏽掉了啊!! 也有些水管拆了就裂了,實在是太久沒整理.

於是上沒屋頂的跟某[光速改裝精品] 買了K6水管整組,
當初註明要K6用,貨到我傻傻的沒確認,拆封就開始裝,裝到一半才知道是K8用的....
我暈 車子都拆一半了,
跟賣家經過多次溝通無效,賣家堅持K8與K6通用,因為拆封了也不給退貨....
吵到最後給他差評,他還不承認錯誤....
只好認賠! 跟另外的賣家再買一組K6專用的.多花了1800元.....
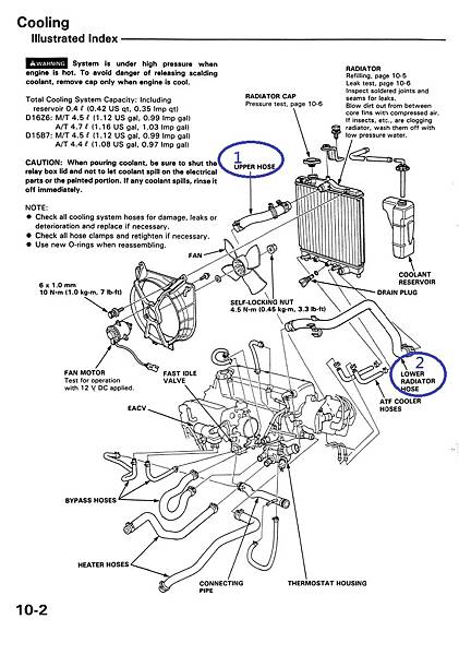
圖一 ,這張圖是K6引擎 D16Z6的 水管分布圖

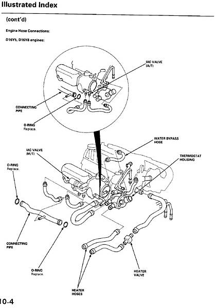
圖二 這是K8 D16Y系列的水管分布圖,
光兩隻大水管就不同了!!!!
K6與K8的確有一些水管可以共用,有一些水管可以硬接.
但是!!!!! 絕對不是都一樣

圖三 這是K8進氣附近的水管圖,跟K6根本差很多@@a

總之....... 把車裝好比較重要,
小孬孬也只能在這裡放放馬後炮而已.
水管備齊開始開工

為了方便作業,水箱整個拆掉比較好裝,畢竟很多管路真的很刁鑽.

因為舊水管太久沒拆,幾乎都老化變硬,大多數直接剪掉比較快,不然根本抽不出來

為了擔心不會接,除了參考維修手冊之外,所有的水管都是拆一條裝一條,怕接錯啊!!!
不過.... 如果是買K6專用的水管,幾乎不會接錯,因為長度跟彎曲就剛好這麼長,要接到別的地方也不容易!!

喔,因為節氣門也有溫控水管,拆起來順便清理節氣門.
老K6沒有很多電子控制裝置,都要靠水溫.
拆節氣門,墊片就跟著破掉了......![]()
順便添購鏽掉的金屬水管,煞車開關,機油芯等等比較容易DIY的東西.

這兩條...... 冷氣的熱水管,超級難接 因為手路很差空間很小!!
還要拆到暖水閥,真要命!!!!

水管套環我有些沿用舊的(大多是難鎖的地方)
可以鎖的話都是用新的套環

大致完工

最後,煞車總泵這裡也有兩條,
這就是水管10件套裝組與12件套裝組的差別,這兩條沒換也沒關係.
換的時候,要注意中間有個[單向止逆閥]別裝反了,裝反你踩煞車時跟本踩不下去,要用很大力才有煞車效果!!

最後就是加滿水
暖車,開暖氣,讓水循環,等溫度到,水龜動作的時候,記得放空氣喔!!!
水箱水記得常換,如果懶得常換,就買一整桶整個替換式的,
如果是用水+添加劑....... 不如還是常換好了!
順道一提
老車的電線都已經老化;
拆的時候用力過猛就碎了!

有時還給你齊頭斷,連接都不用想...
這東西,新的網路買不到,
只能殺中古的,我也是都在網路買中古品來換,說真的,
直接去殺肉場有時都不理我,或是直接說沒有,找不到,

全車電線換掉?
這個應該不是DIY等級了..
要交給專業的師傅才行,只是.......老車 別折騰他了.